• activated carbon powder activated carbon

    activated carbon powder activated carbon

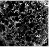
    Activated carbon (also called activated charcoal, activated coal, or active carbon) is a very useful adsorbent. Due to their high surface area, pore structure (micro, meso, and macro), and a high degree of surface reactivity, activated carbon can be used to purify, dechlorinate, deodorize and decolorize both liquid and vapor applications.
    Read more
  • Powdered activated carbon treatment

    Powdered activated carbon treatment

    The aim of PAC dosage is to adsorb toxic substances or difficult to degrade material from wastewater, in order to allow the biological degradation process to take place without hinder, in changing influent compositions. The principle is based on adsorbing these components using activated carbon.PAC production and dosage systems are needed for dosage into the aeration tank. Due to rising sludge quantities, it may also be necessary to install/configure a system for sludge treatment.
    Read more
  • Differences Between Granular and Powdered Activated Carbon

    Differences Between Granular and Powdered Activated Carbon

    Activated carbon is a group of porous carbons produced through charring carbonaceous elements filled with dehydrating chemicals. It can also be described as purified activated carbon powder. Other names for this type of carbon include activated charcoal and active carbon. Its adsorption qualities make it the best for water purification processes.
    Read more
  • Virgin Powdered Activated Carbon (PAC)

    Virgin Powdered Activated Carbon (PAC)

    Riley Equipment Company's line of Virgin Powdered Activated Carbon (PAC) is made from a selected grade of bituminous coal and is produced under rigidly controlled conditions.
    Read more
  • What is the adsorption capacity of activated carbon

    What is the adsorption capacity of activated carbon

    The capacity of an activated carbon to retain a given substance is not only given by its surface area, but also by the proportion of pores whose size is adequate, i.e., a suitable little has a diameter of between one and five times the molecule to be adsorbed.
    Read more
  • What is activated carbon and what is it used for

    What is activated carbon and what is it used for

    Activated carbon or activated charcoal is a porous element that traps compounds, primarily organic, present in a gas or liquid. It does this so effectively that it is the most widely used purifying agent by humans.
    Read more
  • Granular Activated Carbon vs Powdered Activated Carbon

    Granular Activated Carbon vs Powdered Activated Carbon

    While both Granular Activated Carbon and Powdered Activated Carbon are equally important, choosing the right particle size depends on various factors.
    Read more
  • Determination of the point of zero charges of activated carbon

    Determination of the point of zero charges of activated carbon

    The point of zero charges (pHpzc) indicates a pH value of zero. This parameter indicates the interface between the positive and negative charges at the active sites.
    Read more
  • granular activated carbon from Palmae biomass for mercury removal

    granular activated carbon from Palmae biomass for mercury removal

    Two forms of activated carbon (i.e., granular and powdered forms) used to test mercury removal in solution.
    Read more

If you are interested in our products, you can choose to leave your information here, and we will be in touch with you shortly.


Chatting

en_USEnglish